Beschreibung
Membranpumpe
Membranpumpen von VACUUBRAND für nicht-korrosive Medien gibt es in der Basisausführung und in Varianten mit VARIO®-Regelung. Wichtige Vorteile sind der ölfreie Betrieb, die besonders hohe Laufruhe, der geringe Wartungsaufwand und die sehr lange Lebensdauer.
✔ kontaminationsfreies Fördern, Evakuieren und Komprimieren
✔ hohes Saugvermögen bis nahe an das Endvakuum
✔ Einstellung von Überdruck und Vakuum durch Druck- bzw. Vakuumfeinregulierkopf
✔ besonders vibrationsarm
✔ lange Membranlebensdauer, wartungsfreier Antrieb
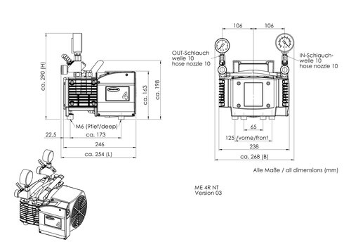
Diese einstufige Membranpumpe ist eine Vakuum- und Kompressionspumpe. Die verwendeten Materialien wie Aluminium und ausgewählte Kunststoffe (PTFE-Membranen und -Ventile) eröffnen ein breites Anwendungsfeld bei nicht-aggressiven Gasen. Druck- und saugseitig hat die ME 4R NT jeweils einen Feinregulierkopf für Druck- bzw. Vakuum. Damit kann sowohl der Kompressionsdruck (Pumpe bläst ab) als auch das Vakuum (Pumpe saugt “Falschluft” an) begrenzt werden. Die ME 4R NT ist ideal sowohl für kontinuierliches, ölfreies Pumpen und Evakuieren von nicht-aggressiven Gasen, wie auch für deren Kompression. Typische Anwendungen sind die Vakuumerzeugung am Trockenschrank, für Druck- und Vakuumfiltrationen, sowie Erzeugung komprimierter, absolut ölfreier Luft. Ansaug- und Auslassdruck können über die beiden Feinregulierkopf-Ventile stufenlos eingestellt werden. Die Manometer auf Vakuum- und Druckseite sind hilfreich bei der Einstellung des gewünschten Vakuum- bzw. Druckniveaus.
Die ME 4R NT ist ideal sowohl für kontinuierliches, ölfreies Pumpen und Evakuieren von nicht-aggressiven Gasen, wie auch für deren Kompression. Typische Anwendungen sind die Vakuumerzeugung am Trockenschrank, für Druck- und Vakuumfiltrationen, sowie Erzeugung komprimierter, absolut ölfreier Luft. Ansaug- und Auslassdruck können über die beiden Feinregulierkopf-Ventile stufenlos eingestellt werden. Die Manometer auf Vakuum- und Druckseite sind hilfreich bei der Einstellung des gewünschten Vakuum- bzw. Druckniveaus.
Technische Daten
Endvakuum 100 mbar
Saugvermögen 3.8 m3/h
Pumpe komplett montiert, betriebsfertig, mit Anleitung.
Artikelnummer: 20731100 | P10
EC Class Number: 36432302
Zolltrarifnummer: 84141089
WEEE Reg.-Nr. EAR: DE 11956459






